
Output Dv.dt filter 400V Range 5A, allowing 230m shield motor cable, the device has W X H X D dimension of 165mm X 175mm X 105mm, please refer to the product manual for correct installation guide. All products come with free presales, aftersales tech support (Please check out the Contact page for detail), and 2 years replacement warranty from delivery or 1.5 years from installation, whichever comes first.

EMI C2 Filter
The standard VSD models meet the EMC requirements of IEC/EN61800-3 C3, and the maximum shielded motor cable lengths used at a 4kHz switching carrier frequency. The EMC filter can allow the VSD to meet C2 installation environment, typically ~50m shielded motor cable.

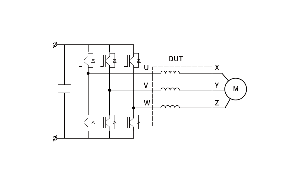
Du/dt (Dv/dt) Filter
Application circuit: VFD output side, to suppresses voltage spikes, and reduce the dv/dt transient voltage reflected by the long cable traveling waves, so as to reduce motor eddy current loss and noise and protect motor insulation. Mainly used in the scenarios where power supply voltage is too high, old motors need innovation, non-variable frequency motor insulation strength is low, braking happens frequently, and transmission uses longer cables.

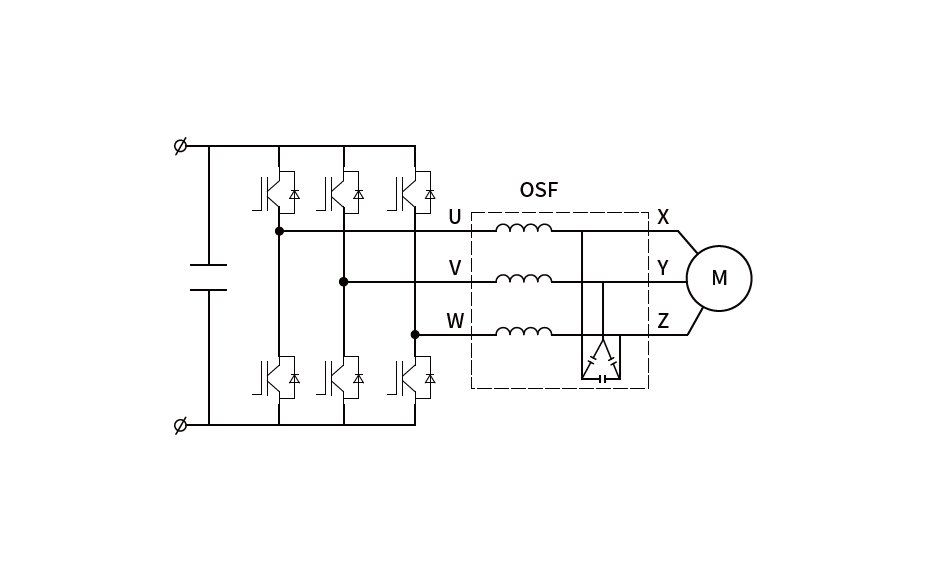
Sine filters
Application circuit: VFD output side, to suppress and absorb the high-order harmonic current derived from the ripple current of the switching frequency, with the corrected wave shape almost like sine wave, greatly extending the output cable length, so as to reduce motor eddy current loss and noise and protect motor insulation.